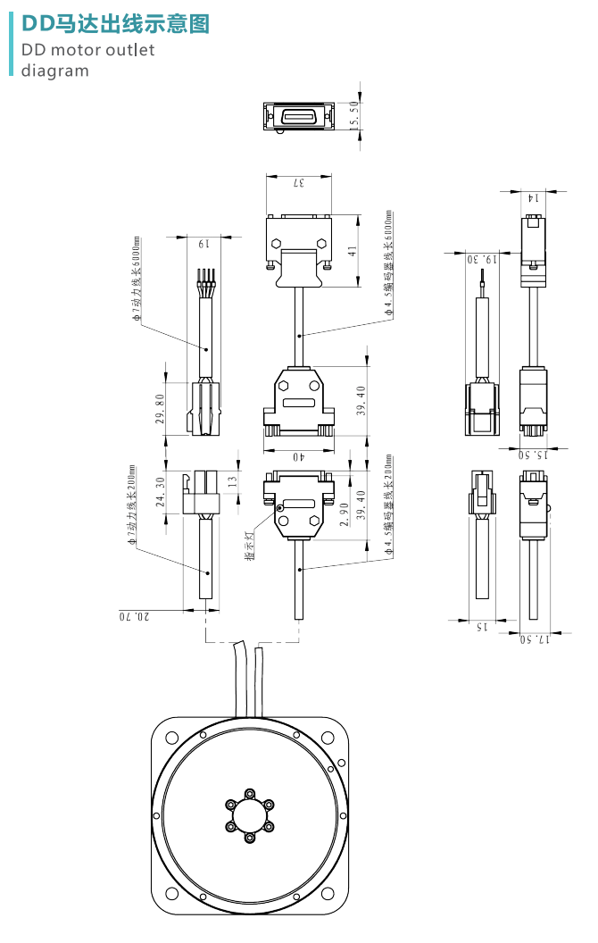
详细说明

[QR570-170通用规格]
宽度570 高度170
电机卷线部绝缘等级: F类,绝缘耐压: 1分钟1500V,绝缘电阻: 10MΩ以上(500VDC)
其他
构造:内转子型,励磁方式:3相
(注)标称扭矩为安装在热容量足够大的金属机座上时的数值。
位置分辨率为建议值,根据驱动器设定。
负载安装面机械精度是安装面的轴向偏差和径向偏差。
表中,如无明确说明则表示为380VAC电源。
扭矩
峰值扭矩 2000 N.m
持续扭矩
转速
最大转速1.5rps
额定转速
电流
连续电流 10.5A
峰值电流
绝对精度
重复定位精度
静态允许负载
轴向负荷 :正转 20000 N,逆转12000N
径向负荷:600 Nm
负载安装面
平面度5μm
DD马达重量
材质钢190KG


相关标签:DD马达 直驱马达 QR570 170DD马达 DD马达厂家 东莞DD马达
上一篇:QR760-188 DD马达
下一篇:QR375-200-DD马达








